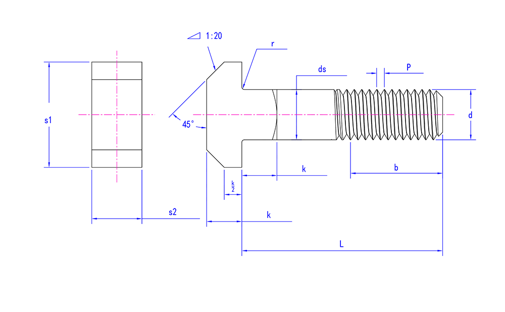
DIN186 T-huvudbultar i rostfritt stål med fyrkantiga halsbultar
| Huvudfunktioner | T-typ huvud anti-rotation fyrkantig hals |
| Stångegenskaper | Dubbel antirotation |
| Kärnsyfte | Förhindrar rotation, ökar stabiliteten |
| Fördelar och funktioner | Fyrkantig halsdesign förhindrar bultrotation, lämplig för tunga fästen |
| Typiska användningsområden | Förhindra rotation, högbelastningsanslutningar, såsom stor utrustning, tunga maskiner. |
| Nyckelindikatorer för urval | T-huvudform, kvadratisk halsstorlek, bultlängd, diameter, gänglängd, material. |
| Branschspecifika krav | Tungt maskineri: lämplig för utrustning med hög belastning och behovet av att förhindra bultrotation. Bilindustri: används för höghållfasta anslutningar som förhindrar bultrotation. |

















